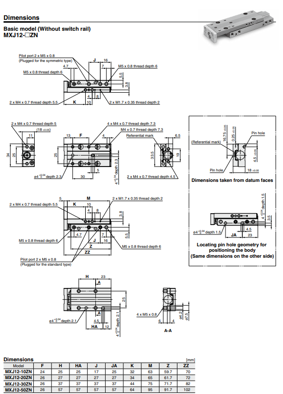
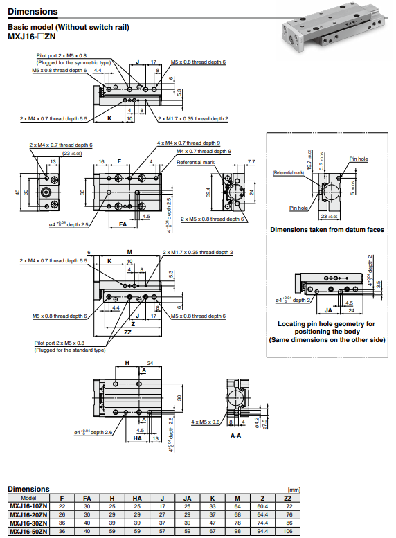
・High Precision High-precision linear guide mounted Traveling parallelism: 0.005 mm, Mounting parallelism: 0.03 mm
・Auto switch and adjuster can be mounted on the same side.
・Short pitch mounting is possible.
5.0
12 views
Reviews
Reviews
Q How to make a payment?
E****R 18/11/2024
A We accept various payment methods including bank transfers, credit cards, and PayPal. Please refer to our payment page during checkout for detailed instructions on how to complete your payment. If you have any questions or need assistance with payment, please contact our customer support team.
18/11/2024
Q How will the products be shipped?
T****k 16/08/2024
A We ship products through reliable courier services such as DHL, UPS, and FedEx. Shipping fees and delivery times may vary depending on the destination. You will receive a tracking number once your order has been dispatched, allowing you to track the status of your shipment. Please note that shipping times may vary based on location and availability.
16/08/2024
Q How is warranty provided?
L****Y 08/05/2024
A We offer a warranty on all of our products. The warranty period and conditions vary depending on the product category. For specific warranty information, please refer to the product page or your purchase agreement. If you encounter any issues with a product during the warranty period, please contact our customer service team with your proof of purchase, and we will guide you through the warranty claim process.
08/05/2024



































★ ★ ★ ★ ★ 01/05/2025
The tolerance is within the specified ±0.5%
(0)
★ ★ ★ ★ ★ 29/04/2025
Absolutely no issues with the 909kΩ resistance value
(0)
★ ★ ★ ★ ★ 26/04/2025
Impressed with the overall durability of the component
(0)
★ ★ ★ ★ ★ 08/04/2025
Great build quality for the PTFR0805D909KP9 resistor
(0)