| Part Number | MDMF402L1C7 |
| Product | Servo Motor |
| Details | Middle inertia, Connector type |
| Product name | MINAS A6 Family Servo Motor |
| Features | 50 W to 22 kW, Input power supply for Driver: Voltage DC 24 V/48 V・AC 100 V/200 V/400 V, 23 bit Absolute/Incremental・battery-less Absolute/Incremental encoder, Frequency response 3.2 kHz |
| Item | Specifications |
|---|---|
| Part Number | MDMF402L1C7 |
| Details | Middle inertia, Connector type |
| Family Name | MINAS A6 |
| Series | MDMF Series |
| Type | Middle inertia |
| Protection class | IP67 |
| About Enclosure | Except rotating portion of output shaft and connecting pin part of the motor connector and the encoder connector. |
| Environmental Conditions | For more details, please refer to the instruction manual. |
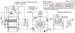
| Flange sq. dimension | 176 mm sq. |
| Flange sq. dimension (Unit:mm) | 176 |
| Motor lead-out configuration | Connector |
| Motor encoder connector | Motor connector: JL10, Encoder connector: Small size JN2 |
| Power supply capacity (kVA) | 6.5 |
| Voltage specifications (V) | 200 |
| Rated output (W) | 4000 |
| Rated current (A (rms)) | 20.0 |
| Holding brake | without |
| Mass (kg) | 13.4 |
| Oil seal | with protective lip |
| Shaft | Round |
| Rated torque (N ⋅ m) | 19.1 |
| Continuous stall torque (N ⋅ m) | 22.0 |
| Momentary Max. peak torque (N ⋅ m) | 57.3 |
| Max. current (A (o-p)) | 85 |
| Regenerative brake frequency (times/min) | Without option :No limit With option :No limit Option (External regenerative resistor) Part No. : DV0P4285 x 2 in parallel |
| About regenerative brake frequency | Please refer to the details of [Motor Specification Description] , Note: 1, and 2. |
| Rated rotational speed (r/min) | 2000 |
| Rated rotational Max. speed (r/min) | 3000 |
| Moment of inertia of rotor ( x10-4 kg ⋅ m²) | 46.9 |
| Recommended moment of inertia ratio of the load and the rotor | 10 times or less |
| About recommended moment of inertia ratio of the load and the rotor | Please refer to the details of [Motor Specification Description] ,Note: 3. |
| Rotary encoder: specifications | 23-bit Absolute/Incremental system |
| Notice | When using a rotary encoder as an incremental system (not using multi-turn data), do not connect a battery for absolute encoder. |
| Rotary encoder: Resolution | 8388608 |
5.0
12 Views
Reviews
Reviews
Q How to make a payment?
E****R 18/11/2024
A We accept various payment methods including bank transfers, credit cards, and PayPal. Please refer to our payment page during checkout for detailed instructions on how to complete your payment. If you have any questions or need assistance with payment, please contact our customer support team.
18/11/2024
Q How will the products be shipped?
T****k 16/08/2024
A We ship products through reliable courier services such as DHL, UPS, and FedEx. Shipping fees and delivery times may vary depending on the destination. You will receive a tracking number once your order has been dispatched, allowing you to track the status of your shipment. Please note that shipping times may vary based on location and availability.
16/08/2024
Q How is warranty provided?
L****Y 08/05/2024
A We offer a warranty on all of our products. The warranty period and conditions vary depending on the product category. For specific warranty information, please refer to the product page or your purchase agreement. If you encounter any issues with a product during the warranty period, please contact our customer service team with your proof of purchase, and we will guide you through the warranty claim process.
08/05/2024


























★ ★ ★ ★ ★ 30/04/2025
The build and materials used are top-notch, ensuring durability
(0)
★ ★ ★ ★ ★ 24/04/2025
Exceptional build and performance
(0)
★ ★ ★ ★ ★ 19/04/2025
Durable and reliable product
(0)
★ ★ ★ ★ ★ 30/03/2025
The quality of this brand model is exceptional, exceeding my expectations
(0)
★ ★ ★ ★ ★ 25/03/2025
Quality exceeds expectations
(0)
★ ★ ★ ★ ★ 23/02/2025
I am extremely satisfied with the overall quality and performance
(0)