| Part Number | MHMF021L74N |
| Product | Servo Motor with Gear reducer |
| Details | Servo motor with Gear reducer, High inertia, Lead wire type, IP44 |
| Product name | MINAS A6 Family Servo Motor |
| Features | 50 W to 22 kW, Input power supply for Driver: Voltage DC 24 V/48 V・AC 100 V/200 V/400 V, 23 bit Absolute/Incremental・battery-less Absolute/Incremental encoder, Frequency response 3.2 kHz |
| Item | Specifications |
|---|---|
| Part Number | MHMF021L74N |
| Details | Servo motor with Gear reducer, High inertia, Lead wire type, IP44 |
| Family Name | MINAS A6 |
| Series | MHMF Series |
| Type | High inertia |
| Protection class | IP44 |
| About Enclosure | at gear reducer |
| Environmental Conditions | For more details, please refer to the instruction manual. |
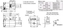
| Flange sq. dimension | 78 mm sq. |
| Flange sq. dimension (Unit:mm) | 78 |
| Motor lead-out configuration | Lead wire |
| Motor encoder connector | Lead wire |
| Power supply capacity (kVA) | 0.5 |
| Voltage specifications (V) | 100 |
| Rated output (W) | 200 |
| Rated current (A (rms)) | 2.1 |
| Holding brake | without |
| Mass (kg) | 2.9 |
| Gear reduction ratio | 1/25 |
| Gear type | For high precision |
| Shaft | Key-way, center tap |
| [About Characteristic of Gear Reducer] | The output, rated rotational speed, maximum rotational speed, rated torque, instantaneous maximum torque of the geared servomotor are values on the output shaft of the gear. |
| Output (W) | 163 |
| Rated torque (N ⋅ m) | 13.0 |
| Continuous stall torque (N ⋅ m) | 0.76 |
| Momentary Max. peak torque (N ⋅ m) | 47.9 |
| Max. current (A (o-p)) | 10.4 |
| Regenerative brake frequency (times/min) | Without option :No limit With option :No limit Option (External regenerative resistor) Part No. : DV0P4283 |
| Rated rotational speed (r/min) | 120 |
| Rated rotational Max. speed (r/min) | 260 |
| Moment of inertia of rotor ( x10-4 kg ⋅ m²) | 0.583 |
| Recommended moment of inertia ratio of the load and the rotor | 10 times or smaller |
| Rotary encoder: specifications | 23-bit Absolute/Incremental system |
| Notice | When using a rotary encoder as an incremental system (not using multi-turn data), do not connect a battery for absolute encoder. |
| Rotary encoder: Resolution | 8388608 |
5.0
12 Views
Reviews
Reviews
Q How to make a payment?
E****R 18/11/2024
A We accept various payment methods including bank transfers, credit cards, and PayPal. Please refer to our payment page during checkout for detailed instructions on how to complete your payment. If you have any questions or need assistance with payment, please contact our customer support team.
18/11/2024
Q How will the products be shipped?
T****k 16/08/2024
A We ship products through reliable courier services such as DHL, UPS, and FedEx. Shipping fees and delivery times may vary depending on the destination. You will receive a tracking number once your order has been dispatched, allowing you to track the status of your shipment. Please note that shipping times may vary based on location and availability.
16/08/2024
Q How is warranty provided?
L****Y 08/05/2024
A We offer a warranty on all of our products. The warranty period and conditions vary depending on the product category. For specific warranty information, please refer to the product page or your purchase agreement. If you encounter any issues with a product during the warranty period, please contact our customer service team with your proof of purchase, and we will guide you through the warranty claim process.
08/05/2024


























★ ★ ★ ★ ★ 11/05/2025
Reliable performance, stands out in the market
(0)
★ ★ ★ ★ ★ 26/04/2025
The quality of the display is top-notch
(0)
★ ★ ★ ★ ★ 14/04/2025
The Panasonic MHMF022L1B1 has exceptional build quality and feels very durable.
(0)
★ ★ ★ ★ ★ 10/04/2025
The price is justified by the quality and reliability of the PANASONIC MHMF022L1B1
(0)
★ ★ ★ ★ ★ 09/04/2025
The buttons are responsive and the controls are user-friendly
(0)
★ ★ ★ ★ ★ 30/03/2025
Impressive build, no signs of defects
(0)
★ ★ ★ ★ ★ 20/03/2025
High-quality materials, excellent durability
(0)
★ ★ ★ ★ ★ 20/03/2025
The materials used are top-notch, ensuring long-lasting performance.
(0)
★ ★ ★ ★ ★ 18/03/2025
Sturdy construction, withstands daily use
(0)
★ ★ ★ ★ ★ 13/03/2025
The sound quality is impressive
(0)
★ ★ ★ ★ ★ 06/03/2025
I've had no issues with durability so far
(0)
★ ★ ★ ★ ★ 04/03/2025
I've been using it for months and it's still in perfect condition.
(0)
★ ★ ★ ★ ★ 20/02/2025
The build is sturdy and the materials used feel premium
(0)
★ ★ ★ ★ ★ 19/02/2025
The product exceeded my expectations in terms of quality
(0)
★ ★ ★ ★ ★ 19/02/2025
The product performs as advertised
(0)
★ ★ ★ ★ ★ 17/02/2025
The quality of the PANASONIC MHMF022L1B1 is exceptional
(0)